Текст скопирован в буфер обмена

Наши менеджеры свяжутся с вами в ближайшее время!

Клапан предохранительный КС-3577-3.84.010 автокранов Ивановец

ID: 392445
Клапан предохранительный КС-3577-3.84.010 Клапан предохранительный КС-3577-3.84.010 Клапан предохранительный КС-3577-3.84.010 Клапан предохранительный КС-3577-3.84.010 Клапан предохранительный КС-3577-3.84.010
Клапан предохранительный КС-3577-3.84.010

Клапан предохранительный КС-3577-3.84.010 автокранов Ивановец

ID: 392445
Арт: КС-3577-3.84.010
Арт: КС-3577-3.84.010
Запчасти - Гидрозамки, гидроклапаны, блоки клапанные Ивановец
Изготовление

по чертежам заказчика
широкая база чертежей в наличии

Доставка

на следующий день после оплаты*

* для товаров из наличия
от 12 000
Появились вопросы о товаре?
Консультация специалиста
Описание
Характеристики
Гарантия

Гидравлический дроссель КС-3577-3.84.010

Подходит для спецтехники

  • Автокран ИвановецКС-3577, КС-3574, КС-35714, КС-35715

Гидравлический дроссель / предохранительный гидроклапан КС-3577-3.84.010 является важным компонентом гидравлической системы. Данный аппарат регулирует интенсивность потока субстанции, и предохраняет гидродвигатель от скачков давления. Клапан изготавливается в индивидуальном корпусе и устанавливается на специальную панель.

Данный элемент входит в состав трубопроводной аппаратуры, которая предотвращает возникновение чрезвычайных ситуаций. Таким образом удается обеспечить защиту гидравлического оборудования от чрезмерного давления.

Устройство

Конструкция элемента КС-3577-3.84.010 характеризуется надежностью и долговечностью. Обязательным компонентом является задатчик. Он обеспечивает силовое воздействие на чувствительный орган, который связан с запирающим элементом. Чаще всего в конструкции устанавливается металлическая пружина и золотник.

Для изготовления детали применяется качественный материал, который способен выдержать тяжелые условия эксплуатации. Кроме того, используются современные методы обработки, делающие клапан невосприимчивым к коррозии и негативному влиянию агрессивной среды.

Схема работы

Принцип работы гидравлического дросселя заключается в следующем. Изначально клапан находится в закрытом положении. Однако, повышение уровня давления приводит к активации процесса открытия дросселя. Если давление внутри системы продолжает рост, то осуществляется перемещение субстанции сквозь клапанный зазор.

Для полного закрытия дросселя уровень давления должен быть на 10% ниже рабочего. Стоит знать, что вернуть клапан в герметичное состояние гораздо сложнее, нежели поддерживать его в закрытом положении. При этом правильная работа оборудования зависит от соблюдения рекомендаций производителя по эксплуатации.

Особенности работы

Трудно представить работу грузоподъемного механизма без предохранительного дросселя. По сравнению с другими типами трубопроводной арматуры схема работы клапана довольно простая. Помимо этого, настройка аппарата не требует наличия особых навыков. Она осуществляется заранее или непосредственно перед монтажом. Этот нюанс обсуждается с поставщиком заблаговременно. Также стоит учитывать наличие различны вариаций гидравлического элемента. Установка предохранительного дросселя КС-3577-3.84.010 является оптимальным вариантом, который обеспечит безопасность технологического процесса.

Компания "Краны и Запчасти" предлагает большой ассортимент гидравлических компонентов системы. Наши специалисты помогут вам подобрать подходящий агрегат, и осуществят поставку в кротчайшие сроки. Кроме того, мы гарантируем продолжительную и эффективную работу вашей техники с нашими комплектующими.

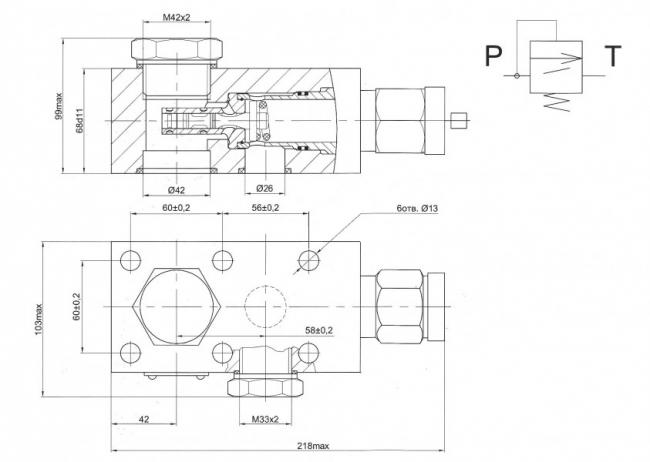
Клапан предохранительный КС-3577-3.84.010 - чертеж 1
×

Мы предоставляем гарантию на все наши товары, чтобы вы были уверены в их качестве и надёжности.


Мы стремимся обеспечить наших клиентов лучшими запчастями и сервисом, поэтому предлагаем гарантию на все наши товары.


Чтобы воспользоваться гарантией, вам необходимо сохранить чек или другой документ, подтверждающий покупку запчасти у нас. Если у вас возникнут вопросы или проблемы, пожалуйста, свяжитесь с нашей службой поддержки по телефону или электронной почте.


Для получения дополнительной информации или оформления заказа заполните форму.
Также Вы можете написать нам на почту или позвонить по номеру телефона: 8 (351) 218-59-40.

на нашем сайте или вы можете отправить заявку на электронную почту , либо позвонить по номеру телефона: