Текст скопирован в буфер обмена

Наши менеджеры свяжутся с вами в ближайшее время!

Каталог товаров
28603

Изготовление крановых колёс

Полезные материалы:

Крановые колёса - гарантия надёжности и долговечности

Компания Краны и запчасти специализируется на производстве высококачественных крановых колес как стандартных размеров, так и по индивидуальным чертежам. Наша продукция применяется в мостовых, башенных и козловых кранах, а также в тележках и вагонетках различного назначения.

Крановые колеса служат для движения крановой конструкции по рельсам или направляющим, обеспечивая её устойчивость и плавность хода под значительными нагрузками.

Типы крановых колёс

По конструктивному исполнению различают следующие типы колес:

  1. Колеса в сборе

    Ключевые элементы ходовой части крана, обеспечивающие его устойчивость и плавность хода.

    Возможные варианты установки:

    • На неподвижной оси (ведомые/ведущие)
    • На вращающейся оси (холостые колеса)
    • На вращающемся валу
  2. Колеса крановые к2р гост 28648 в сборе - пример Колесо в сборе Колесо в сборе Колесо в сборе
  3. Одноребордные колеса (К1Р)
    • Форма: цилиндрическая или коническая
    • Особенность: одна ограничительная реборда
    • Применение: тележки, козловые и другие наземные краны
  4. Одноребордное колесо Одноребордное колесо Одноребордное колесо Одноребордное колесо
  5. Двухребордные колеса (К2Р)
    • Форма: цилиндрическая
    • Особенность: две ограничительные реборды по краям цилиндра
    • Применение: мостовые краны и кран-балки
  6. Двухребордное колесо Двухребордное колесо Двухребордное колесо Шпоночный вал

Качество материалов и технология изготовления играют ключевую роль в создании надежных колес. Мы используем высокопрочную сталь 65Г и 45, что гарантирует длительный срок службы продукции.

Расчёт и проектирование

Перед началом производства проводится детальный расчет параметров будущего кранового колеса для обеспечения безопасности и эффективности его работы. Для этого собираются данные о требованиях заказчика и условиях эксплуатации.

Основные задачи этапа:

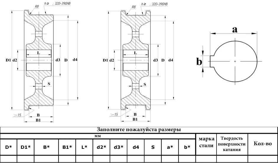
  • Определение размеров кранового колеса и материала изготовления (D, D1, B, B1, L | Сталь 65Г, 45, и другие)
  • Определение типа кранового колеса (одноребордное - 1КР, двухребордное - 2КР)
  • Определение варианта исполнения кранового колеса (холостое, приводное, с запрессованным валом, колесная установка)

Для вашего удобства мы предлагаем список стандартных размеров крановых колес, которые чаще всего используются в мостовых, башенных, козловых кранах.

Крановое колесо - эскиз
Таблица размеров крановых колёс
Наименование Диаметр поверхности катания (D), мм Общий диаметр колеса (D1), мм Ширина поверхности катания (B), мм Ширина обода (B1), мм Ширина ступицы (L), мм Масса, кг
К1Р-200х60 200 230 60 75 80 11
K1P-320x80 320 360 80 100 100 31
K1P-500x125 500 550 125 150 150 113
K2P-200x60 200 230 60 90 80 15
K2P-400x90 400 450 90 130 120 80
K2P-630x130 630 680 130 180 160-190 380
K2P-250x70СБ 250 290 70 110 95 54
K2P-500x100СБ 500 550 100 150 145 315
K2P-800x150СБ 800 880 150 210 170-200 823

Примечание: Таблица содержит выборку размеров крановых колес для иллюстрации основных характеристик продукции. Компания Краны и запчасти производит крановые колеса по всем стандартным размерам, а также принимает заказы на изготовление изделий по индивидуальным чертежам.

Подготовка материала и заготовки

На этом этапе выбираются материалы и производится подготовка заготовки. Мы используем высокопрочную сталь, которая затем обрабатывается на современном оборудовании для создания всех элементов колеса.

Процесс включает следующие основные операции:

  1. Выбор материала и изготовление заготовки

    Колесо изготавливается из штамповки или стального круга. Для производства используются следующие марки стали: ст.40Х, ст.45, ст.55, ст.65Г, ст.70Л.

    Заготовку колеса можно получить:

    • Формованием (штамповка) — метод деформации материала под давлением и высокой температуры.
    • Литьём (отливка) — метод заливки расплавленного металла в форму.
  2. Механическая обработка заготовки

    Проводится токарная и фрезерная обработка для придания заготовке точных размеров и геометрии.

  3. Термическая обработка

    Колесо подвергается термообработке для повышения прочности и износостойкости двумя способами:

    • Сорбитизация — нагрев колеса до высокой температуры с последующим медленным охлаждением для преобразования внутренней структуры.
    • Цементация — процесс пропитки поверхности колеса углеродом при высокой температуре для создания прочного внешнего слоя
    Заготовка кранового колеса Крановое колесо по гост 28648 заготовка Колесо для козлового мостового башенного крана к2р изготовление термообработка Термообработка кранового колеса
  4. Вторичная механическая обработка

    После термообработки колесо снова протачивается на станке для достижения точных размеров, указанных в чертежах.

  5. Изготовление комплектующих элементов

    Изготавливаются дополнительные детали для сборки колеса:

    • Венец (зубчатое колесо)
    • Вал (ось) колеса
    • Крышки кранового колеса
    • Втулка дистанционная
    • Букса
  6. Сборка колеса

    Проводится монтаж всех элементов:

    • Монтаж венца (на гужоны, болты или штифты)
    • Установка подшипников, втулок, оси (вала) и буксы
    • Финальная сборка готового кранового колеса
    Крановое колесо - установка подшипников Крановое колесо - колесо крановое к2р гост 28648 в сборе двухребордное козловых, мостовых, башенных кранов изготовление установка оси пример Крановое колесо - тестирование износостойкости Колеса крановые к2р гост 28648 в сборе двухребордные козловых, мостовых, башенных кранов изготовленное готовое

Контроль и тестирование

После изготовления каждое крановое колесо проходит строгий контроль качества и тестирование.

Основные проверки включают:

  • Проверку размеров на соответствие технической документации
  • Контроль балансировки кранового колеса
  • Тестирование прочности и износостойкости
  • Оценку работоспособности подшипников
  • Проверку плавности хода
Крановое колесо - проверка размеров Крановое колесо - проверка плавности хода Крановое колесо - тестирование износостойкости Крановые колеса к2р к1р ходовые изготовлены по гост 28648 ведущие и холостые

Когда нужно менять колесо?

Специалисты рекомендуют производить замену кранового колеса в следующих случаях:

  • При износе реборд, достигшем 50% первоначальной толщины
  • При износе поверхности катания более 15–20% первоначальной толщины обода
  • При вскрытых раковинах на поверхности катания, не подлежащих завариванию (суммарной площадью не более 4% всей поверхности и суммарной глубиной не более 5% толщины обода)
  • При сквозных трещинах колеса
  • При деформации колеса (например, потере геометрической формы)
Износ крановых колёс Износ крановых колёс Износ крановых колёс Износ крановых колёс

Обратите внимание, что своевременная замена изношенных колес является важным фактором для обеспечения безопасности и эффективности работы оборудования. Наша организация Краны и запчасти также занимается ремонтом крановых колёс подробности вы можете узнать здесь.

Примеры готовых решений

Вот несколько наших крановых колес, которые уже успешно прошли все этапы производства и контроля качества:

  1. Колесо ходовое КС-12.5.03.02.001
    • Ширина: 160 мм
    • Диаметр поверхности катания: 710 мм
    • Материал: Сталь 65Г
    • Тип: двухребордное
  2. Колесо крановое К2P-400x90
    • Ширина: 90 мм
    • Диаметр поверхности катания: 400 мм
    • Материал: Сталь 65Г
    • Тип: приводное
  3. Колесо ходовое ведущее У2260.30.01.000
    • Ширина: 100 мм
    • Диаметр поверхности катания: 500 мм
    • Материал: Сталь 65Г
    • Тип: в сборе с подшипниками

Заключение

Крановые колеса - критически важный элемент любого грузоподъемного оборудования, от качества которого зависит безопасность и эффективность работы всего механизма. Компания "Краны и запчасти" предлагает полный спектр решений - от стандартных изделий до индивидуального производства по вашим чертежам.

Наши преимущества:

  • Собственное производство с полным циклом обработки
  • Использование качественных материалов (сталь 65Г, 45, 40Х)
  • Современное оборудование и технологии
  • Многоступенчатый контроль качества
  • Гарантия на всю продукцию
  • Индивидуальный подход к каждому клиенту

Для заказа крановых колес или получения консультации свяжитесь с нашими специалистами по телефону или оставьте заявку на сайте.

на нашем сайте или вы можете отправить заявку на электронную почту , либо позвонить по номеру телефона: