Текст скопирован в буфер обмена

Наши менеджеры свяжутся с вами в ближайшее время!

28649

Электродвигатели крановые фазные

Крановые электродвигатели с фазным ротором серий МТН, MTF, AMTН, MTKH, 5MTН, 5MTF, ДМТF, ДМТН, 4MTМ, 4MTН, 4MTF предназначены для привода подъемно-транспортных механизмов, таких как краны, лебедки, тельферы и кран-балки. Все двигатели работают в повторно-кратковременном режиме S3 с ПВ 40% по ГОСТ Р52776, обеспечивая надежную работу при частых пусках и остановках. Исполнение вала может быть цилиндрическим (IM1001, IM1002, IM2001, IM2002) или коническим (IM1003, IM1004, IM2003, IM2004), в зависимости от монтажного исполнения и габарита двигателя.

Основные технические характеристики

Серия Типы двигателей Мощность, кВт Частота вращения, об/мин Масса, кг Напряжение, В Исполнения
МТН/MTF/AMTН 200LA6, 200LA8, 200LB6, 200LB8 15–30 700–950 170–220 220/380, 380/660 IM1003, IM1004, IM2003, IM2004
МТН/MTF/AMTН 225-M6, 225-M8, 225-L6, 225-L8 22–45 700–950 250–350 220/380, 380/660 IM1003, IM1004, IM2003, IM2004
МТН/MTF/AMTН 280S6, 280S8, 280S10, 280M6, 280M8, 280M10, 280L6, 280L8, 280L10 45–110 600–950 400–700 220/380, 380/660 IM1003, IM1004, IM2003, IM2004
МТН/MTF/AMTН 311-6, 311-8, 312-6, 312-8 11–22 700–950 130–180 220/380, 380/660 IM1003, IM1004, IM2003, IM2004
МТН/MTF/AMTН 411-6, 411-8, 412-6, 412-8 22–37 700–950 300–350 220/380, 380/660 IM1003, IM1004, IM2003, IM2004
МТН/MTF/AMTН 511-6, 512-6, 512-8 22–37 700–950 350–400 220/380, 380/660 IM1003, IM1004, IM2003, IM2004
МТН/MTF/AMTН 611-6, 611-10, 612-6, 612-10, 613-6, 613-10 45–75 600–950 500–800 220/380, 380/660 IM1003, IM1004, IM2003, IM2004
МТН/MTF/AMTН 400S8, 400S10, 400M8, 400L8, 400L10 90–200 600–750 800–1200 220/380, 380/660 IM1003, IM1004, IM2003, IM2004
МТН/MTF/AMTН 711-10, 712-10, 713-10 110–160 600 900–1100 220/380, 380/660 IM1003, IM1004, IM2003, IM2004

Особенности и преимущества

  • Высокий пусковой момент и устойчивость к частым пускам/остановкам, идеально подходящие для крановых механизмов.
  • Идентичная конструкция двигателей под разными маркировками (МТН, MTF, AMTН, MTKH, 5MTН, 5MTF, ДМТF, ДМТН, 4MTМ, 4MTН, 4MTF) от разных производителей, с возможным отличием в классе нагревостойкости изоляции (H или F).
  • Гибкость подключения: обмотки по схемам "звезда" или "треугольник" (ГОСТ 31996—2012).
  • Возможность поставки с цилиндрическими или коническими валами нестандартной длины или диаметра по чертежам заказчика.

Расшифровка маркировки

  1. Наименование серии: МТ, АМТ, ДМТ
  2. Тип ротора: 
    - наличие буквы – короткозамкнутный 
    - отсутствие буквы – фазный ротор
  3. Класс нагревостойкости изоляции: H (до 180°C), F (до 155°C)
  4. Габарит наружного диаметра листов статора: 2…7 (например, 2 для 200, 225; 4 для 400; 7 для 711, 712, 713)
  5. Модернизация двигателя: 0…1
  6. Длина сердечника статора: S, M, L (короткий, средний, длинный)
  7. Число полюсов: 6, 8, 10
  8. Климатическое исполнение: У (умеренный), Т (тропический), УХЛ (умеренно-холодный)
  9. Категория размещения: 1 (на открытом воздухе), 2 (под навесом)
Расшифровка маркировки крановых электродвигателей МТН, MTF, AMTН, MTKH

Варианты исполнения

Двигатели поставляются с цилиндрическим (IM1001, IM1002, IM2001, IM2002) или коническим (IM1003, IM1004, IM2003, IM2004) валом. Для габаритов 200–713 чаще применяются исполнения IM1003, IM1004, IM2003, IM2004 с коническим валом.

Варианты исполнения крановых электродвигателей МТН, MTF, AMTН, MTKH

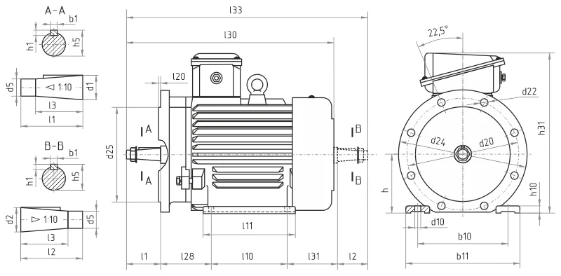
Габаритные и присоединительные размеры

Габаритные и присоединительные размеры зависят от типа двигателя и исполнения (IM1001, IM1002, IM1003, IM1004, IM2001, IM2002, IM2003, IM2004). Для габаритов 200–713 чаще применяются IM1003, IM1004, IM2003, IM2004 с коническим валом. Точные размеры необходимо уточнить при заказе.

на нашем сайте или вы можете отправить заявку на электронную почту , либо позвонить по номеру телефона: