Текст скопирован в буфер обмена

Наши менеджеры свяжутся с вами в ближайшее время!

Иконка корзины
405572

Катушка тормоза ТКП-600 В

Катушка тормоза ТКП-600 В
Катушка тормоза ТКП-600 В
Нашли дешевле?
Задать вопрос
Заказать звонок
Купить в один клик
В корзину
Товар добавлен в корзину!
Описание
Доставка
Гарантия

Катушка тормоза ТКП-600 В - подробная информация

Катушка электромагнитного тормоза серии ТКП разработана для колодочных тормозов постоянного тока ТКП с диаметром шкива от 400 до 800 мм. Она обеспечивает растормаживание колодок, позволяя управлять остановкой и удержанием валов грузоподъемных механизмов в кранах и подъемно-транспортных машинах.

Катушки выпускаются для параллельного и последовательного включения. Параллельные работают при напряжении 110 В и режиме ПВ 25%. Для работы при 220 В или 440 В (ПВ 25%, 40%, 100%) или при 110 В (ПВ 40%, 100%) требуется добавочный резистор, например, типа БРК.

Конструкция и принцип работы

Катушка электромагнитного тормоза серии ТКП Катушка состоит из медной обмотки, намотанной на металлический каркас с двумя бобышками для фиксации от вращения. Обмотка пропитана эпоксидным компаундом на основе изоляции "Монолит" (класс F, до 155°C). Выводы выполнены в виде пластин с овальными отверстиями. Параллельные катушки изготавливаются из медного провода с гибкими выводами, последовательные — из медной шины с жесткими выводами, поддерживая токи от 70 до 1400 А при ПВ 15-40%. При подаче тока катушка активирует электромагнит, отводя колодки, а при отключении пружины возвращают тормоз в заторможенное состояние.

Составляющие: обмотка, металлический каркас, две бобышки, эпоксидный компаунд, выводные пластины.

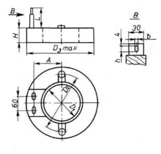
Технические характеристики

Катушки параллельного включения:

Тип A, мм B, мм D1, мм D2, мм D3, мм h, мм H, мм L, мм Масса, кг
ТКП-400 105 9 161 230 287 17 94 90 15
ТКП-500 125 9 186 300 366 17 86 95 25
ТКП-600 158 9 221 360 428 17 88 100 34
ТКП-700 188 9 256 435 502 17 88 110 50
ТКП-800 220 9 311 500 572 17 88 125 73

Катушки последовательного включения:

Тип Ток, А b, мм h, мм L, мм Масса, кг
ТКП-400 75 9 17 90 21
ТКП-400 108 9 17 90 19
ТКП-400 149 9 17 90 17
ТКП-400 179 9 17 90 18
ТКП-400 208 9 17 90 19
ТКП-400 268 9 17 90 20
ТКП-500 156 9 17 95 31
ТКП-500 245 9 17 95 34
ТКП-500 383 13 17 95 34
ТКП-600 162 9 17 100 42
ТКП-600 233 9 17 100 45
ТКП-600 395 13 17 100 46.5
ТКП-600 490 13 17 100 48
ТКП-600 600 13 17 100 49
ТКП-700 234 9 17 110 60
ТКП-700 555 13 17 110 63
ТКП-700 705 13 42 140 64
ТКП-700 910 13 42 140 64.5
ТКП-800 450 13 17 125 80
ТКП-800 1050 13 42 155 80

Преимущества

  • Надежное растормаживание колодочных тормозов ТКП.
  • Совместимость с шкивами диаметром 400-800 мм.
  • Прочная изоляция класса F, устойчивая к температурам до 155°C.
  • Гибкость применения благодаря параллельному и последовательному включению.

Рекомендации по эксплуатации

Устанавливайте катушки согласно электросхеме механизма, обеспечивая совпадение углублений тормоза с бобышками катушки. Закрепляйте катушку на сердечник двумя или тремя болтами. Избегайте попадания грязи в механизм и перекосов при установке, чтобы предотвратить сгорание. Регулярно проверяйте состояние изоляции и выводов. Транспортируйте в закрытой упаковке при температурах до -50°C (У2) или -60°C (О2).

Применение

Катушки ТКП применяются в колодочных тормозах грузоподъемных механизмов, таких как краны и подъемно-транспортные машины, для управления тормозными колодками. Подходят для умеренного (У2), тропического и холодного (О2) климата в пожаро- и взрывобезопасных средах.

Наша компания осуществляет доставку запчастей для спецтехники различными транспортными компаниями. Мы сотрудничаем с проверенными перевозчиками, которые обеспечивают сохранность груза и соблюдение сроков доставки.


Стоимость доставки зависит от веса и габаритов груза, а также от расстояния до пункта назначения. Вы можете выбрать наиболее удобный для вас способ оплаты: наличный расчёт, безналичный перевод или онлайн-оплата.


Для оформления заказа на доставку просто заполните форму на нашем сайте или свяжитесь с нами по телефону или электронной почте. Мы всегда рады помочь вам с выбором оптимального варианта доставки и предложить наиболее выгодные условия сотрудничества.

Деловые линии GTD ПЭК Байкал сервис Энергия ЖелДорЭкспедиция СДЭК Карго DHL PONY EXPRESS KCE aviagruz.su
Рассчитать стоимость доставки

Мы предоставляем гарантию на все наши товары, чтобы вы были уверены в их качестве и надёжности.


Мы стремимся обеспечить наших клиентов лучшими запчастями и сервисом, поэтому предлагаем гарантию на все наши товары.


Чтобы воспользоваться гарантией, вам необходимо сохранить чек или другой документ, подтверждающий покупку запчасти у нас. Если у вас возникнут вопросы или проблемы, пожалуйста, свяжитесь с нашей службой поддержки по телефону или электронной почте.


Для получения дополнительной информации или оформления заказа заполните форму.
Также Вы можете написать нам на почту или позвонить по номеру телефона:
8 (351) 218-59-40.

на нашем сайте или вы можете отправить заявку на электронную почту , либо позвонить по номеру телефона: