Текст скопирован в буфер обмена

Наши менеджеры свяжутся с вами в ближайшее время!

31009

Тахометр автотракторный ТХА

Автотракторный тахометр ТХА3.1 — это устройство, разработанное для измерения частоты вращения двигателей и трансмиссионных валов. Оно создано для применения в автотракторной, дорожно-строительной и сельскохозяйственной технике, обеспечивая надежное отображение данных на цифровом дисплее. Тахометр адаптирован для эксплуатации как на внутреннем рынке, так и для экспорта.

Ключевые преимущества

  • Универсальная настройка — поддержка произвольного передаточного числа для совместимости с широким спектром машин.
  • Компактность — стандартный корпус в «автотракторном» стиле для легкой установки.
  • Четкий дисплей — четырехразрядный индикатор для точного и удобного считывания данных.
  • Долговечность — защита от вибраций, пыли и влаги (IP54) для стабильной работы в экстремальных условиях.

Функциональность

ТХА3.1 определяет частоту сигнала от клеммы переменного напряжения генератора, электронного блока управления или бесконтактного датчика угловой скорости (например, 11.3843А). Измеренные данные отображаются на четырехразрядном цифровом дисплее с минимальной погрешностью. Устройство позволяет гибко настраивать передаточное число, обеспечивая совместимость с различными типами техники.

Особенности конструкции

  • Миниатюрный корпус в автотракторном формате для простой интеграции.
  • Точность измерений с погрешностью до ±20 об/мин.
  • Степень защиты IP54 по ГОСТ 14254-96, устойчивая к пыли и влаге.
  • Щитовое крепление для прочной и надежной установки.
Технические характеристики ТХА3.1
Параметр Значение Примечания
Число разрядов дисплея 4 Для отображения частоты вращения
Высота символов дисплея 9,2 мм Для четкой видимости
Погрешность измерений ±20 об/мин Максимальная величина
Частота обновления данных 0,5–2,0 с Регулируемая
Номинальное напряжение 24 В (12 В) Постоянный ток
Потребляемая мощность ≤3 Вт При номинальном напряжении
Степень защиты IP54 По ГОСТ 14254-96
Температурный диапазон эксплуатации -45°C до +55°C Предельный: -60°C до +65°C
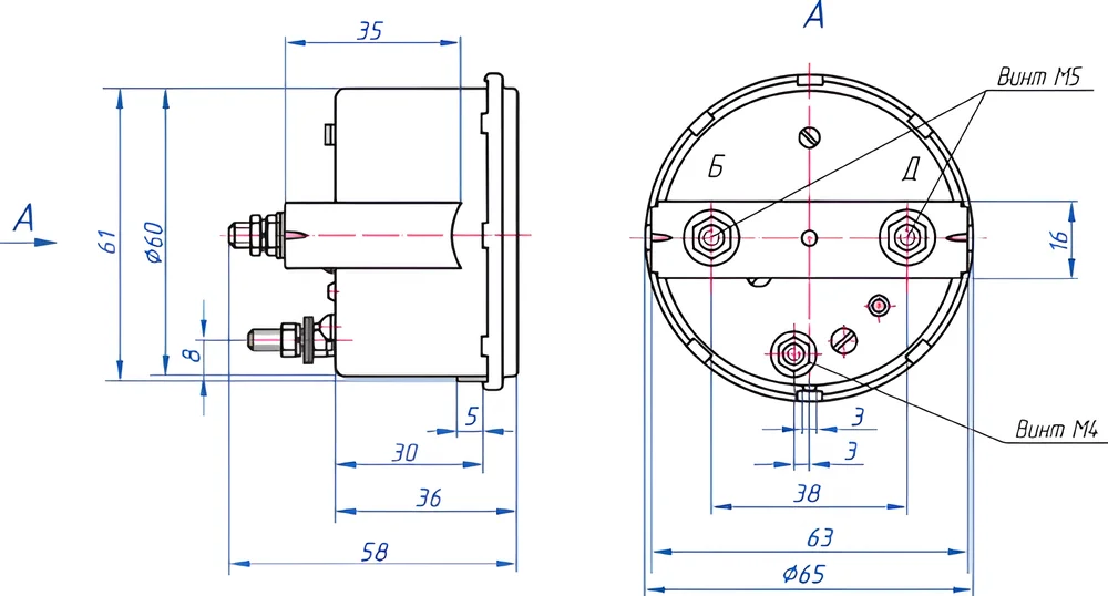
Габариты 65 × 65 × 58 мм Без учета разъема
Масса ≤0,12 кг Максимальная
Тип крепления Щитовое Для надежной фиксации
Модели ТХА3.1
Модель Передаточное число Применяемость
ТХА3.1 2,71 Автогрейдеры ДЗ-98В с двигателями Cummins
ТХА3.1-01 1,76 Виброкатки ВК-18 (ООО «ЧТЗ-Уралтрак»)
ТХА3.1-02 3,45 Тракторы ОАО «ПРОМТРАКТОР» с двигателями Cummins
ТХА3.1-03 0,4 Автосамосвалы БелАЗ с двигателями Cummins
ТХА3.1-04 1,71 Трактор ДЭТ-320 (ООО «ЧТЗ-Уралтрак») с двигателем ЯМЗ 7512
ТХА3.1-05 0,77 Трактор T10 с двигателем Cummins
ТХА3.1-06 0,942 Тракторы с ГМТ (ООО «ЧТЗ-Уралтрак»)
ТХА3.1-07 1,25 Трактор Т10 с двигателями ЯМЗ, М11С, Д180М
ТХА3.1-08 0,431 Трактор Т10 с ПУ
ТХА3.1-09 0,359 Трактор Т10 с ЭС

Габаритные и присоединительные размеры

Схема подключения

Сферы применения

Тахометр ТХА3.1 оптимально подходит для разнообразной техники, обеспечивая точные измерения частоты вращения в сложных эксплуатационных условиях:

  1. Автогрейдеры и виброкатки для дорожных работ.
  2. Сельскохозяйственные тракторы и комбайны.
  3. Автосамосвалы и специализированная дорожно-строительная техника.
  4. Техника с двигателями Cummins и ЯМЗ.

Высокая точность, компактный дизайн и устойчивость к внешним воздействиям делают ТХА3.1 идеальным решением для надежной работы в самых жестких условиях.

на нашем сайте или вы можете отправить заявку на электронную почту , либо позвонить по номеру телефона: