Текст скопирован в буфер обмена

Наши менеджеры свяжутся с вами в ближайшее время!

Иконка корзины
405835

Выключатель конечный (концевой) ВПК-2112

Выключатель конечный (концевой) ВПК-2112
Выключатель конечный (концевой) ВПК-2112
ID: 405835
ВПК-2112-БУ2ВПК-2112-БУ2 IP-65
От 790 руб.
Нашли дешевле?
Задать вопрос
Заказать звонок
Купить в один клик
В корзину
Товар добавлен в корзину!
Описание
Доставка
Гарантия

Подробная информация Выключатель путевой концевой ВПК

Характеристики

Наименование Значение
Вид привода Рычаг с роликом
Срабатывание от воздействия На ролик под углом 30°
Тип коммутации Безынерционный
Материал корпуса (оболочки) Металл (силумин)
Рабочий ход привода, мм 7,5 (+2,5/-1,5)
Полный ход, мм 10,5
Номинальный рабочий ток In, А 10
Режим работы Мгновенный
Степень защиты IP65
Выключатель путевой по исполнению привода "рычаг с роликом" ВПК-2112-БУ2 IP65 используют в электрических цепях управления, сигнализации и контроля относительного положения подвижных частей механизма в пространстве.

Основное применение – коммутация электрических цепей управления переменного напряжения до 660В (50/60Гц) и постоянного тока до 440В под воздействием управляющих упоров в определённых точках пути контролируемого объекта.

ВПК имеют многочисленные модификации, надежную конструкцию и высокую износостойкость, благодаря чему широко применяются во многих отраслях.

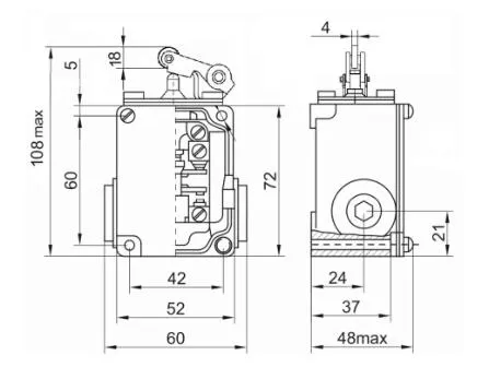
Габаритные и установочные размеры

Структура условного обозначения

1. - Выключатель путевой: ВПК
2. - Условное обозначение номера серии: 2
3. - Условное обозначение способа крепления: 1 – базовое крепление, резьбовой неуплотненный ввод
4. - Условное обозначение количества полюсов и типа контактов: 1 – два полюса 1з+1р
5. - Условное обозначение исполнения по виду привода: 0 – толкатель; 1 – толкатель с роликом; 2 – рычаг с роликом; 3 - селективный
6. - Условное обозначение индекса модернизации: Б
7. - Климатическое исполнение и категория размещения по ГОСТ 15050-69: У2, УХЛ-4

Наша компания осуществляет доставку запчастей для спецтехники различными транспортными компаниями. Мы сотрудничаем с проверенными перевозчиками, которые обеспечивают сохранность груза и соблюдение сроков доставки.


Стоимость доставки зависит от веса и габаритов груза, а также от расстояния до пункта назначения. Вы можете выбрать наиболее удобный для вас способ оплаты: наличный расчёт, безналичный перевод или онлайн-оплата.


Для оформления заказа на доставку просто заполните форму на нашем сайте или свяжитесь с нами по телефону или электронной почте. Мы всегда рады помочь вам с выбором оптимального варианта доставки и предложить наиболее выгодные условия сотрудничества.

Деловые линии GTD ПЭК Байкал сервис Энергия ЖелДорЭкспедиция СДЭК Карго DHL PONY EXPRESS KCE aviagruz.su
Рассчитать стоимость доставки

Мы предоставляем гарантию на все наши товары, чтобы вы были уверены в их качестве и надёжности.


Мы стремимся обеспечить наших клиентов лучшими запчастями и сервисом, поэтому предлагаем гарантию на все наши товары.


Чтобы воспользоваться гарантией, вам необходимо сохранить чек или другой документ, подтверждающий покупку запчасти у нас. Если у вас возникнут вопросы или проблемы, пожалуйста, свяжитесь с нашей службой поддержки по телефону или электронной почте.


Для получения дополнительной информации или оформления заказа заполните форму.
Также Вы можете написать нам на почту или позвонить по номеру телефона:
8 (351) 218-59-40.

на нашем сайте или вы можете отправить заявку на электронную почту , либо позвонить по номеру телефона: