Текст скопирован в буфер обмена

Наши менеджеры свяжутся с вами в ближайшее время!

Выключатель конечный (концевой) ВПК-2111

ID: 405834
Выключатель конечный (концевой) ВПК-2111 Выключатель конечный (концевой) ВПК-2111
Выключатель конечный (концевой) ВПК-2111

Выключатель конечный (концевой) ВПК-2111

ID: 405834
Арт: ВПК-2111-БУ2 ВПК-2111-БУ2 IP-65
Арт: ВПК-2111-БУ2 ВПК-2111-БУ2 IP-65
Вид привода: Толкатель с роликом
Срабатывание от воздействия: На ролик под углом 30°
Тип коммутации: Безынерционный
Материал корпуса (оболочки): Металл (силумин)
Запчасти - Выключатель конечный концевой ВПК
Изготовление

по чертежам заказчика
широкая база чертежей в наличии

Доставка

на следующий день после оплаты*

* для товаров из наличия
от 800
Появились вопросы о товаре?
Консультация специалиста
Описание
Характеристики
Гарантия

Подробная информация Выключатель путевой концевой ВПК

Применение ВПК-2111

Выключатель путевой по исполнению привода "толкатель с роликом" ВПК-2111-БУ2 IP65 используют в электрических цепях управления, сигнализации и контроля относительного положения подвижных частей механизма в пространстве.

Основное применение – коммутация электрических цепей управления переменного напряжения до 660В (50/60Гц) и постоянного тока до 440В под воздействием управляющих упоров в определённых точках пути контролируемого объекта.

ВПК имеют многочисленные модификации, надежную конструкцию и высокую износостойкость, благодаря чему широко применяются во многих отраслях.

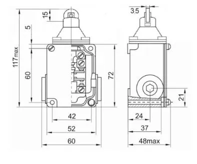
Габаритные и установочные размеры

Структура условного обозначения

1. - Выключатель путевой: ВПК
2. - Условное обозначение номера серии: 2
3. - Условное обозначение способа крепления: 1 – базовое крепление, резьбовой неуплотненный ввод
4. - Условное обозначение количества полюсов и типа контактов: 1 – два полюса 1з+1р
5. - Условное обозначение исполнения по виду привода: 0 – толкатель; 1 – толкатель с роликом; 2 – рычаг с роликом; 3 - селективный
6. - Условное обозначение индекса модернизации: Б
7. - Климатическое исполнение и категория размещения по ГОСТ 15050-69: У2, УХЛ-4

Характеристики

Наименование Значение
Вид привода Толкатель с роликом
Срабатывание от воздействия На ролик под углом 30°
Тип коммутации Безынерционный
Материал корпуса (оболочки) Металл (силумин)
Рабочий ход привода, мм 5,3 (+1,4/-0,9)
Полный ход, мм 8,5
Номинальный рабочий ток In, А 10
Режим работы Мгновенный
Степень защиты IP 65

Мы предоставляем гарантию на все наши товары, чтобы вы были уверены в их качестве и надёжности.


Мы стремимся обеспечить наших клиентов лучшими запчастями и сервисом, поэтому предлагаем гарантию на все наши товары.


Чтобы воспользоваться гарантией, вам необходимо сохранить чек или другой документ, подтверждающий покупку запчасти у нас. Если у вас возникнут вопросы или проблемы, пожалуйста, свяжитесь с нашей службой поддержки по телефону или электронной почте.


Для получения дополнительной информации или оформления заказа заполните форму.
Также Вы можете написать нам на почту или позвонить по номеру телефона: 8 (351) 218-59-40.

на нашем сайте или вы можете отправить заявку на электронную почту , либо позвонить по номеру телефона: