Текст скопирован в буфер обмена

Наши менеджеры свяжутся с вами в ближайшее время!

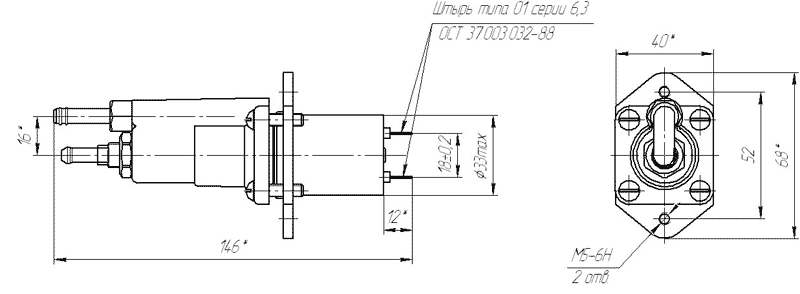
Насос топливный 27.1106010-50 (12В, 24В)

ID: 428364
Насос топливный 27.1106010-50 (12В, 24В)
Насос топливный 27.1106010-50 (12В, 24В)

Насос топливный 27.1106010-50 (12В, 24В)

ID: 428364
Арт: 27.1106010-50 27.1106010-40 271.1106010-40
Арт: 27.1106010-50 27.1106010-40 271.1106010-40
Допустимое напряжение: 12В, 24В
Запчасти - Запчасти для отопительной установки О30
Изготовление

по чертежам заказчика
широкая база чертежей в наличии

Доставка

на следующий день после оплаты*

* для товаров из наличия
от 5 500
Появились вопросы о товаре?
Консультация специалиста
Описание
Характеристики
Гарантия

Насос топливный 27.1106010-50 (12В, 24В) это механизм, обеспечивающий движения топлива от бензобака до камеры, где оно смешивается с воздухом.


Приводится в действие подачей напряжения на специальный якорь. Якорь смещает втулку, благодаря чему внутри насоса возникает разреженная среда, куда и попадает топливо. После прекращения подачи напряжения втулка возвращается в исходное положение, выталкивая топливо через штуцер отведения под давлением в топливопровод.

Насос топливный 27.1106010-50 (12В, 24В) - чертеж 1
Насос топливный 27.1106010-50 (12В, 24В) - чертеж 2
×

Характеристики

Наименование Значение
Допустимое напряжение 12В, 24В

Мы предоставляем гарантию на все наши товары, чтобы вы были уверены в их качестве и надёжности.


Мы стремимся обеспечить наших клиентов лучшими запчастями и сервисом, поэтому предлагаем гарантию на все наши товары.


Чтобы воспользоваться гарантией, вам необходимо сохранить чек или другой документ, подтверждающий покупку запчасти у нас. Если у вас возникнут вопросы или проблемы, пожалуйста, свяжитесь с нашей службой поддержки по телефону или электронной почте.


Для получения дополнительной информации или оформления заказа заполните форму.
Также Вы можете написать нам на почту или позвонить по номеру телефона: 8 (351) 218-59-40.

на нашем сайте или вы можете отправить заявку на электронную почту , либо позвонить по номеру телефона: