Текст скопирован в буфер обмена

Наши менеджеры свяжутся с вами в ближайшее время!

31028

Редукторы Ц2У 315Н, 355Н 400Н

Редуктор цилиндрический двухступенчатый Ц2У-315Н, Ц2У-355Н, Ц2У-400Н – механическое устройство, предназначенное для передачи энергии вращения от одного вала к другому. Используется в машиностроении для увеличения крутящего момента и уменьшения частоты вращения посредством двухступенчатой цилиндрической зубчатой передачи. Комплектуется валами с различными концами (цилиндрическими, коническими, муфтовыми). Подходит для работы в повторно-кратковременных и постоянных режимах, применяется в приводах грузоподъемных кранов, элеваторов, дробилок и горнодобывающей промышленности.

Основные технические характеристики

Типоразмер редуктора Номинальное передаточное число Номинальная радиальная нагрузка на тихоходном валу, Н Номинальный крутящий момент на тихоходном валу, Н·м Масса, кг, не более КПД
Ц2У-315Н 8; 10; 12,5; 16; 20; 25; 31,5; 40; 50 22400 8700 520 0,97
Ц2У-355Н 8; 10; 12,5; 16; 20; 25; 31,5; 40; 50 40000 14000 700 0,97
Ц2У-400Н 8; 10; 12,5; 16; 20; 25; 31,5; 40; 50 31500 16300 930 0,97

Расшифровка маркировки редуктора Ц2У-315Н, Ц2У-355Н, Ц2У-400Н

  1. Ц2УН – тип редуктора (цилиндрический двухступенчатый).
  2. 315, 355, 400 – межосевое расстояние тихоходной ступени, мм.
  3. Номинальное передаточное число (8; 10; 12,5; 16; 20; 25; 31,5; 40; 50).
  4. Вариант сборки.
  5. Климатическое исполнение: У, ХЛ, Т, М, МТ.
Расшифровка маркировки редуктора Ц2У-315Н, Ц2У-355Н, Ц2У-400Н

Варианты сборки редуктора Ц2У-315Н, Ц2У-355Н, Ц2У-400Н

Варианты сборки редуктора Ц2У-315Н, Ц2У-355Н, Ц2У-400Н

Габаритные и присоединительные размеры

Габаритные и присоединительные размеры редуктора Ц2У-315Н, Ц2У-355Н, Ц2У-400Н
Типоразмер редуктора Awб Awт L L1 L2 L3 L4 L5 L6 L7 B B1 B2 B3 B4 ØD ØD1 ØD2 H H1 H2
Ц2У-315Н 200 315 1040 740 370 215 300 420 110 210 340 260 340 14 28 28 50k6 110m6 685 335 35
Ц2У-355Н 225 355 1170 850 425 250 405 320 440 435 280 370 28 740 375 35
Ц2У-400Н 250 400 1300 950 475 280 455 380 500 475 330 420 35 835 425 42

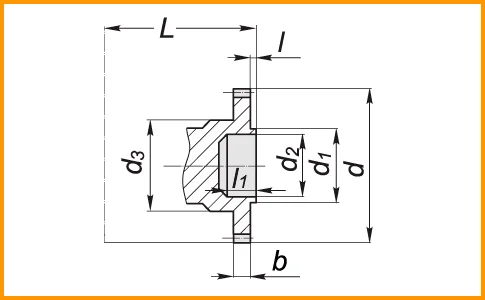
Присоединительные размеры цилиндрических и конических выходных валов

Присоединительные размеры цилиндрических и конических выходных валов редуктора Ц2У-315Н, Ц2У-355Н, Ц2У-400Н
Редуктор Вал l d b t L d (конический) d1 d2 d3
Ц2У-315Н Входной цилиндрический 110 50 14 53.5
Выходной цилиндрический 210 110 28 116
Выходной конический 5 200 110h9 75h9 55 M8*20
Ц2У-355Н Входной цилиндрический 110 55 16 59
Выходной цилиндрический 210 125 32 132
Выходной конический 5 235 125h9 75h9 55 M8*20
Ц2У-400Н Входной цилиндрический 140 60 18 64
Выходной цилиндрический 250 140 36 148
Выходной конический 5 240 140h9 75h9 55 M8*20

Присоединительные размеры тихоходного вала в виде части зубчатой муфты

Редуктор L l l1 d d1 d2 d3 b m z
Ц2У-315Н 275 10 60 252 130 110f8 140 30 6 40
Ц2У-355Н 310 12,5 65 294 130 110f8 140 35 7 40
Ц2У-400Н 335 15 65 336 180 150f8 215 40 8 40
Присоединительные размеры тихоходного вала в виде части зубчатой муфты

на нашем сайте или вы можете отправить заявку на электронную почту , либо позвонить по номеру телефона: