Текст скопирован в буфер обмена

Наши менеджеры свяжутся с вами в ближайшее время!

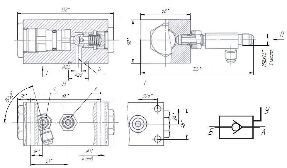
Гидрозамок односторонний КС-65711М.88.10.010 гидроцилиндров вывешивания опор автокранов Челябинец КС-45721, КС-55730, КС-55732, КС-55733.

ID: 394104
Гидрозамок односторонний КС-65711М.88.10.010 гидроцилиндров вывешивания опор Челябинец КС-65711
Гидрозамок односторонний КС-65711М.88.10.010 гидроцилиндров вывешивания опор Челябинец КС-65711

Гидрозамок односторонний КС-65711М.88.10.010 гидроцилиндров вывешивания опор автокранов Челябинец КС-45721, КС-55730, КС-55732, КС-55733.

ID: 394104 Арт: КС-65711М.88.10.010
Арт: КС-65711М.88.10.010
Условный проход, мм: 10
Номинальный расход среды, л/мин: 50
Максимальное давление, МПа: 24
Давление прямого открытия, МПа: 4
Запчасти - Гидрозамки, гидроклапаны, блоки клапанные Челябинец
Изготовление

по чертежам заказчика
широкая база чертежей в наличии

Доставка

на следующий день после оплаты*

* для товаров из наличия
от 4 800
Появились вопросы о товаре?
Консультация специалиста
Описание
Характеристики
Документация
Гарантия

Подходит для спецтехники

  • Автокран ЧелябинецКС-45721, КС-55730, КС-55732, КС-55733.

Гидравлический замок КС-65711М.88.10.010 является управляемым обратным дросселем. Такое устройство работает в комплексе с гидравлическим цилиндром вывешивания опор. Гидрозамок пропускает субстанцию исключительно в прямом направлении, до появления давления управления. Помимо этого, агрегат повышает надежность работы системы, предотвращая произвольное перемещение штока цилиндра.

Для корректной работы оборудования необходимо обеспечить сохранность его конструктивных узлов. Потому рекомендуется проводить техническое обслуживание. Подобное мероприятие осуществляется только специально обученным персоналом.

Конструкция

Гидравлический элемент КС-65711М.88.10.010 отличается надежностью и устойчивостью к негативному воздействию агрессивной рабочей среды.

Как работает

Принцип работы гидрозамка заключается в следующем. Перемещение штока гидроцилиндра активирует работу гидрозамка, который закрывает его поршневую камеру. Таким образом предотвращается произвольное движение стержня и утечки жидкости в случае обрыва трубок маслопровода. Субстанция движется беспрепятственно прямо к исполнительному органу. Реверс жидкости возможен только после принудительного открывания клапана под действием внешнего сигнала.

Неисправности

Продолжительная эксплуатация накладывает отпечаток на работоспособность гидравлического элемента КС-65711М.88.10.010. В результате этого агрегат может выйти из строя по нескольким причинам. Наиболее распространенной является попадание мелкодисперсных частиц в субстанцию, что приводит к быстрому износу деталей и нарушению герметичности. Также некорректная работа может быть вызвана поломкой пружины либо заклиниванием поршня.

Гидрозамок отличается высокой ремонтопригодностью. Для восстановления его работоспособности необходимо разобрать и очистить детали конструкции. При необходимости замене подлежат уплотнители, защитные кольца и фильтроэлементы. Подобные мероприятия должны проводить квалифицированные сотрудники.

Наша компания предлагает услуги по обслуживанию и восстановлению конструктивных узлов различного оборудования. Технические специалисты нашей организации обладают высокой квалификацией и большим опытом подобных работ, о чем свидетельствуют положительные отзывы наших клиентов. Обращаем ваше внимание, что мы предлагаем выгодные условия сотрудничества, различные акции и скидки.

Характеристики

Наименование Значение
Условный проход, мм 10
Номинальный расход среды, л/мин 50
Максимальное давление, МПа 24
Давление прямого открытия, МПа 4
Отношение площадей поршня управления и клапана 7.81
Вес, кг 3.6

Мы предоставляем гарантию на все наши товары, чтобы вы были уверены в их качестве и надёжности.


Мы стремимся обеспечить наших клиентов лучшими запчастями и сервисом, поэтому предлагаем гарантию на все наши товары.


Чтобы воспользоваться гарантией, вам необходимо сохранить чек или другой документ, подтверждающий покупку запчасти у нас. Если у вас возникнут вопросы или проблемы, пожалуйста, свяжитесь с нашей службой поддержки по телефону или электронной почте.


Для получения дополнительной информации или оформления заказа заполните форму.
Также Вы можете написать нам на почту или позвонить по номеру телефона: 8 (351) 218-59-40.

на нашем сайте или вы можете отправить заявку на электронную почту , либо позвонить по номеру телефона: