Наши менеджеры свяжутся с вами в ближайшее время!
по чертежам заказчика
широкая база чертежей в наличии
Гидравлический замок ВРДЕ G1/4, G3/8, G1/2, G3/4 отличается наличием двух гидролиний, и способен пропускать субстанцию в разных направлениях с одинаковой эффективностью. Данный прибор разрешает перемещение жидкости исключительно в прямом направлении, до момента открывания запирающего органа давлением управления.
Гидравлический элемент размещается на выходе гидравлического цилиндра. Главной его функцией считается предупреждение неконтролируемого выдвижения штока при резком падении давления. Аналогами гидрозамка ВРДЕ являются элементы VBPDE, VRDE, LVDT и A05045303.00. Такой агрегат позволяет повысить эффективность и производительность работы системы.
Замок гидравлического исполнения ВРДЕ G1/4, G3/8, G1/2, G3/4 отличается надежной конструкцией и продолжительным сроком службы. Для его производства применяются только качественные и прочные материалы, которые обеспечивают устойчивость к воздействию агрессивной рабочей среды.

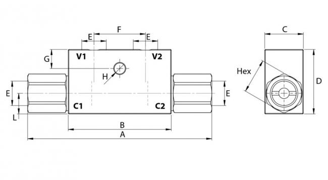
| Типоразмер | Ду | А | В | С | D | E | F | G | H | Hex | Масса, кг |
| ВРДЕ 1/4 | 8 | 117 | 68 | 30 | 40 | 13 | 38 | 7 | 7 | 24 | 0,67 |
| ВРДЕ 3/8 | 10 | 143 | 80 | 30 | 50 | 16 | 40 | 15 | 8,5 | 27 | 0,9 |
| ВРДЕ 1/2 | 12 | 143 | 80 | 30 | 50 | 16 | 40 | 15 | 8,5 | 27 | 0,8 |
В конструкции присутствую два клапана, которые обеспечивают циркуляцию жидкости. Их отсутствие приведет к неравномерному перемещению рабочих органов, и система будет работать некорректно. дабы этого избежать монтаж дросселей осуществляется между неразгруженным замком и цилиндром.
Подключение замка гидравлического исполнения осуществляется следующим образом: каналы V1, V2 к питающей линии, C1, C2 - на регулирующий блок. Принцип работы элемента достаточно простой. Эксплуатационная жидкость запирается в рабочих объемах цилиндра С1 и С2, если отсутствует управляющий сигнал на порт V1 и V2.

Если Вы не нашли необходимый компонент на нашем сайте, то свяжитесь с нашими сотрудниками. Это можно сделать по телефону бесплатной горячей линии или заказать обратный звонок на сайте. Наши опытные менеджеры помогут подобрать для вас нужный элемент. Для оперативной работы мы держим большой запас популярных запасных частей на складе. Потому доставка производится в максимально сжатые сроки.
| Наименование | Значение |
|---|---|
| Максимальное давление, бар | 350, 300, 300, 300 |
| Давление срабатывания, бар | 4 |
| Производительность, л/мин | 30, 50, 80, 120 |
Мы предоставляем гарантию на все наши товары, чтобы вы были уверены в их качестве и надёжности.
Мы стремимся обеспечить наших клиентов лучшими запчастями и сервисом, поэтому предлагаем гарантию на все наши товары.
Чтобы воспользоваться гарантией, вам необходимо сохранить чек или другой документ, подтверждающий покупку запчасти у нас. Если у вас возникнут вопросы или проблемы, пожалуйста, свяжитесь с нашей службой поддержки по телефону или электронной почте.
Для получения дополнительной информации или оформления заказа заполните форму.
Также Вы можете написать нам на почту mail@kranzapchasti.ru
или позвонить по номеру телефона: 8 (351)
218-59-40.
Заказать на нашем сайте или вы можете отправить заявку на электронную почту mail@kranzapchasti.ru, либо позвонить по номеру телефона: 8 (351) 218-59-40