Текст скопирован в буфер обмена

Наши менеджеры свяжутся с вами в ближайшее время!

Иконка корзины
392473

Опорно-поворотное устройство КС-4574-17.100-04 (40 отв.) автокрана Клинцы КС-45724, КС-45719, КС-55713

Опорно-поворотное устройство КС-4574-17.100-04 (40 отв.)
Опорно-поворотное устройство КС-4574-17.100-04 (40 отв.)
ID: 392473
КС-4574-17.100-04
От 210 000 руб.
Нашли дешевле?
Задать вопрос
Заказать звонок
Купить в один клик
В корзину
Товар добавлен в корзину!
Описание
Доставка
Гарантия

Опорно-поворотное устройство КС-4574-17.100-04 - подробная информация

Характеристики

Наименование Значение
Внешний диаметр, мм 1451
Высота ОПУ, мм 100
Количество отверстий, шт 40
Диаметр отверстий, мм 22
Количество зубьев (z), шт 180
Модуль зуба (m) 8
Высота зуба, мм 90
Вес, кг 396

Подходит для спецтехники

  • Автокран КлинцыКС-55713-1К-4В, КС-55713-3К-4В, КС-55713-4К-4В, КС-55713-4К-4В, КС-55713-6К-4В, КС-55713-6К-4, КС-55713-12К-4В, , КС-55713-1К-4
  • Автокран ГаличанинКС-55713-1В, КС-55713-2В, КС-55713-3В, КС-55713-4В, КС-55713-5В, КС-55729В, КС-55729-1В-3, КС-55729-5В-3

Опорно-поворотное устройство (ОПУ) КС-4574-17.100-04 с 40 отверстиями предназначено для автокранов Клинцы и Галичанин. Оно обеспечивает вращение поворотной части крана – кабины и стрелы – относительно неповоротной ходовой платформы.

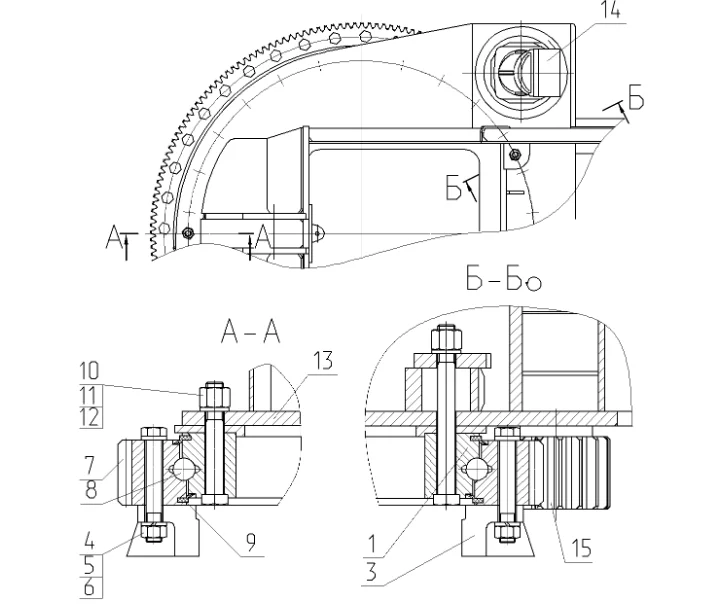
Поз. Обозначение Кол. на сб. единицу Масса, кг
1 Гайка М20.110 ХЛ1 ГОСТ 22354-77 116 0,063
2 Болт М20х150.109.40Х ГОСТ 7798-70 40 0,49
3 Опора поворотная КС-4574-17.100-04 1 383,4
4 Болт М20х160.109.40Х ГОСТ 7798-70 24 0,5
5 Болт М20х260.109.40Х ГОСТ 7798-70 8 0,65
6 Проволока 1,0-0-4 ГОСТ 3282-74 0,4 м  
7 Шайба 20.65Г.019 ГОСТ 6402-70 40  
8 Болт М20х170.109.40Х ГОСТ 7798-70 8 0,51

Принцип работы

Опорно-поворотное устройство КС-4574-17.100-04 представляет собой массивный подшипник, передающий нагрузки от выходной шестерни редуктора на ходовую часть крана. Вращение осуществляется за счет зацепления шестерни механизма поворота (15) с зубчатым венцом (7). Конструкция выдерживает осевые, радиальные нагрузки и опрокидывающий момент, возникающий при работе с грузом или в холостом режиме. Твердость колец (HB230-280) обеспечивает надежность при высоких нагрузках.

Особенности конструкции

Схема опорно-поворотного устройства КС-4574-17.100-04

Поворотная опора, шариковая и однорядная, состоит из двух обойм (1), зубчатого венца (7) и шариков (8) в радиальной канавке. Венец (7), закрепленный болтами (4), гайками (5) и шайбами (6) на неповоротной раме, находится в зацеплении с шестерней (15) механизма поворота (14). Обойма (1) крепится к поворотной раме болтами (10), гайками (11) и шайбами (12).

Масленки обеспечивают смазку шариков и дорожек качения, продлевая срок службы. Регулярное обслуживание минимизирует износ, особенно при неравномерных нагрузках, не погашенных аутригерами.

Наша компания осуществляет доставку запчастей для спецтехники различными транспортными компаниями. Мы сотрудничаем с проверенными перевозчиками, которые обеспечивают сохранность груза и соблюдение сроков доставки.


Стоимость доставки зависит от веса и габаритов груза, а также от расстояния до пункта назначения. Вы можете выбрать наиболее удобный для вас способ оплаты: наличный расчёт, безналичный перевод или онлайн-оплата.


Для оформления заказа на доставку просто заполните форму на нашем сайте или свяжитесь с нами по телефону или электронной почте. Мы всегда рады помочь вам с выбором оптимального варианта доставки и предложить наиболее выгодные условия сотрудничества.

Деловые линии GTD ПЭК Байкал сервис Энергия ЖелДорЭкспедиция СДЭК Карго DHL PONY EXPRESS KCE aviagruz.su
Рассчитать стоимость доставки

Мы предоставляем гарантию на все наши товары, чтобы вы были уверены в их качестве и надёжности.


Мы стремимся обеспечить наших клиентов лучшими запчастями и сервисом, поэтому предлагаем гарантию на все наши товары.


Чтобы воспользоваться гарантией, вам необходимо сохранить чек или другой документ, подтверждающий покупку запчасти у нас. Если у вас возникнут вопросы или проблемы, пожалуйста, свяжитесь с нашей службой поддержки по телефону или электронной почте.


Для получения дополнительной информации или оформления заказа заполните форму.
Также Вы можете написать нам на почту или позвонить по номеру телефона:
8 (351) 218-59-40.

на нашем сайте или вы можете отправить заявку на электронную почту , либо позвонить по номеру телефона: