Текст скопирован в буфер обмена

Наши менеджеры свяжутся с вами в ближайшее время!

Токоприемник (токосъемник) ТКН-12Б-1 крановый

ID: 488341
Токоприемник троллейный ТКН-12Б-1 (ТК-12-Б1)
Токоприемник троллейный ТКН-12Б-1 (ТК-12-Б1)

Токоприемник (токосъемник) ТКН-12Б-1 крановый

ID: 488341
Арт: ТКН-12Б-1 ТК-12Б-1
Арт: ТКН-12Б-1 ТК-12Б-1
Номинальный ток, А: 100
Контактное нажатие, H: 20-70
Сечение кабеля, мм²: 25
Масса, кг: 3.5
Запчасти - Токоприемники (токосъемники) серии ТК, ТКН
Изготовление

по чертежам заказчика
широкая база чертежей в наличии

Доставка

на следующий день после оплаты*

* для товаров из наличия
от 3 300
Появились вопросы о товаре?
Консультация специалиста
Описание
Характеристики
Документация
Гарантия

Троллейный токоприемник ТКН-12Б-1 - подробное описание

Токоприемник ТКН-12Б-1 предназначен для съема электрического тока с гибких троллеев в целях питания электрооборудования грузоподъемных кранов. Токоприемник рассчитан для работы в сети постоянного тока напряжением до 500 В и переменного тока частотой 50 или 60 Гц напряжением до 600 В.

Условия эксплуатации

  • Исполнение токоприемника — открытое, степень защиты IP00 по ГОСТ 14254-96;
  • Воздействие механических факторов — по группе 3 ГОСТ 16962-71;
  • Токоприемник рассчитан для работы с частотой циклов возвратно-поступательных перемещений до 600 в час при ускорении до 1 м/с² и скоростью движения не более 2,5 м/с;
  • Рабочее положение токоприемника — горизонтальное.

Структура условного обозначения

ТКН — токоприемник;
12 — номинальный ток, А;
Б — исполнение (сборное);
1 — токовая нагрузка (100 А).

Структура условного обозначения токоприёмника ТКН-12Б-1

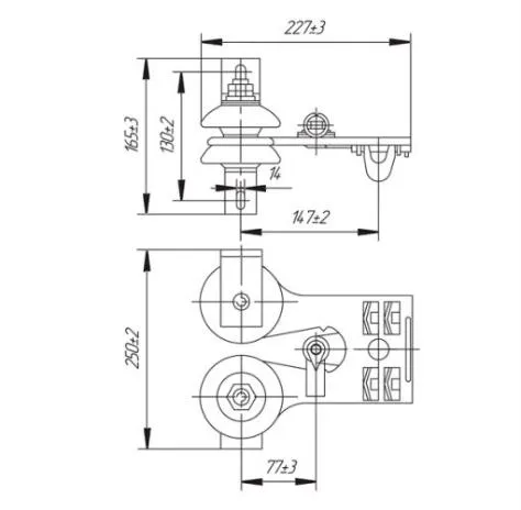
Габаритные и присоединительные размеры

Габаритные и присоединительные размеры токоприёмника ТКН-12Б-1

Техническое обслуживание

При эксплуатации токоприемника ТКН-12Б-1 необходимо вести журнал наблюдений, в котором фиксируются дата ввода в эксплуатацию, технические осмотры и регламентные работы.

Периодичность Действие
Периодически Проверять состояние крепежных деталей
Периодически Очищать поверхность фарфоровых изоляторов от пыли и загрязнений
Периодически Проверять плотность прилегания паранитовых шайб к деталям по всей плоскости их соприкосновения
Периодически Проверять степень износа подвижных деталей токоприемника
Периодически Проверять состояние контактных соединений
Периодически Проверять положение троллеев и величину контактного нажатия
Один раз в год Проверять прочность изоляции аппарата напряжением 1000 В переменного тока частотой 50 или 60 Гц в течение 1 минуты

Сопротивление изоляции токоприемника при нормальных климатических условиях, в том числе на открытом воздухе, должно быть не менее 0,5 МОм.

Характеристики

Наименование Значение
Номинальный ток, А 100
Контактное нажатие, H 20-70
Сечение кабеля, мм² 25
Масса, кг 3.5

Мы предоставляем гарантию на все наши товары, чтобы вы были уверены в их качестве и надёжности.


Мы стремимся обеспечить наших клиентов лучшими запчастями и сервисом, поэтому предлагаем гарантию на все наши товары.


Чтобы воспользоваться гарантией, вам необходимо сохранить чек или другой документ, подтверждающий покупку запчасти у нас. Если у вас возникнут вопросы или проблемы, пожалуйста, свяжитесь с нашей службой поддержки по телефону или электронной почте.


Для получения дополнительной информации или оформления заказа заполните форму.
Также Вы можете написать нам на почту или позвонить по номеру телефона: 8 (351) 218-59-40.

на нашем сайте или вы можете отправить заявку на электронную почту , либо позвонить по номеру телефона: